WC Set 43: Toaleta B-8030R černá
Předstěnový instalační systém G3004A s panelem - Soft-close sedátko
Číslo výrobku: 23070
Číslo výrobku: 23068
Číslo výrobku: 23071
Číslo výrobku: 23069
Číslo výrobku: 23067
Číslo výrobku: 23066
                Informace o produktu
 
            Závěsné WC B-8030R s nano-povlakem - prkénko Soft-close - předstěnová instalace G3004A
Závěsné WC BERNSTEIN B-8030R, vyrobené z kvalitní sanitární keramiky, se vyznačuje elegantním designem a praktickými funkcemi. Díky nano-povlaku se snadno čistí a minimalizuje usazování nečistot.
Absence splachovacího okraje usnadňuje údržbu, zatímco zploštělá spodní strana mísy zjednodušuje úklid. Toto WC B-8030R je navrženo s ohledem na ekologii, efektivně snižuje zápach při menší spotřebě vody, což znamená i nižší spotřebu čisticích prostředků.
Prkénko s funkcí Soft-Close se zavírá tiše a bezpečně, a díky funkci Take-Off je možné ho snadno a rychle vyjmout k důkladnému čištění.
Sada obsahuje také výškově nastavitelnou předstěnovou instalaci, vhodnou pro standardní závěsné toalety, ideální pro novostavby nebo rekonstrukce koupelen. Montáž je možná na stěnu, do výklenku nebo skříně, s možností nastavení výšky od podlahy v rozmezí 20 cm. Povrchová úprava Dacroment zajišťuje optimální ochranu proti korozi.
Objevte pohodlí a výhody této moderní závěsné toalety, která usnadňuje údržbu a zlepšuje hygienu ve vaší koupelně.
Nezapomeňte se podívat na dostupné příslušenství k toaletě.
                Rozměry a specifikace
 
            | Závěsné WC B-8030R | |
| Materiál | Sanitární keramika | 
| Barva | Černá matná | 
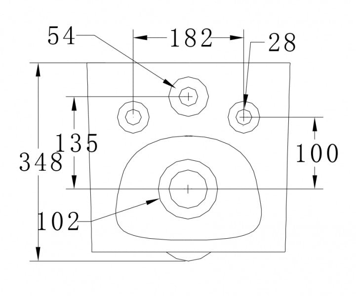
| Rozměry | 550 x 365 x 348 mm (h x š x v) | 
| Hmotnost | čistá: 28,85 kg / hrubá: 30,83 kg | 
| Závěsné WC bez splachovacího kruhu | |
| Horizontální odtok | |
| Konektor DIN | |
| Nano povrchová úprava | |
| Odtok 102 mm | |
| Rozteč otvorů 182 mm | |
| WC prkénko | Vysoce kvalitní termosetový plast (Duroplast) | 
| Funkce Soft-close | Tiché a jemné zavírání | 
| Funkce Take-Off | Lze sundat jednoduchým stisknutím tlačítka | 
| Předstěnová instalace G3004A | |
| Rozměry | 506 x 1144-1344 (nastavitelné) x 170-200 (nastavitelné) mm (š x v x h) | 
| Nastavitelná montážní výška: | 1144-1344 mm | 
| Nastavitelná montážní hloubka | 170-200 mm | 
| Samonosný rám | |
| Výškově nastavitelné nožičky | |
| Určeno pro suchou instalaci | |
| Předmontovaná nádržka s izolací proti hluku a vlhkosti, ovládaná zepředu | |
| Ovládací tlačítko, možnost volby modelu a barvy | |
| Dvojité splachování s technologií 2-flush | |
| Malé ovládací tlačítko nastavitelné v rozmezí 3 až 5 litrů | |
| Velké ovládací tlačítko nastavitelné v rozmezí 4,5-7 litrů | |
| Mosazný úhlový ventil | |
| Jednoduchá instalace | |
| Součástí je sada pro odhlučnění WC | |
| Přípojka vody vzadu/nahoře uprostřed | |
| Součástí je montážní sada pro bezpečné připevnění předstěnové instalace | |
                Rozsah dodávky
 
            - Závěsné WC B-8030R s prkénkem Soft-close
- Předstěnová instalace G3004A
- Ovládací tlačítko - možnost volby modelu a barvy
Způsob doručení
Doručení spediční společností do cca 3-5 pracovních dnů. Spediční zásilky jsou doručovány k obrubníku, tj. ke vchodu do budovy, k bráně na sídlišti apod. Dopravce vám zavolá a domluví se s vámi na termínu doručení. Při zadávání objednávky proto uveďte telefonní číslo.
                Ke stažení
 
            Pokyny pro péči
CMA-Sanitary ceramics_180424.pdf
                Doručení
 
            
                Bezpečnost výrobků
 
            
        - 
                    Doručení do 3-6 dnů 
- 
                    Vlastní výroba 
- 
                    Vrácení zboží do 30 dnů 
- 
                    Bezpečné platební metody 
Mohlo by se vám také líbit
Výhody
Vlastní výroba
Doručení do 3-6 dnů
Zákaznická podpora při nákupu
Bezpečné platební metody
 
 
 
 
 
 
 
 
 
 
 
 
 
 
 
 
 
 
 
 
 
 
 
 
 
 
 
 
 
 
 
 
 
 
 
 
 
 
 
 
 
 
 
 
 
 
 
 
 
 
 
 
 
 
 
 
 
 
 
 
 
 
 
 
 
 
 
 
 
 
 
 
 
 
 
 
 
 
 
 
 
 
 
                                 
                                 
 
                             
                                         
 
                             
                                         
 
                             
                             
                                         
                                         
 
                             
                             
                                         
                                         
                                 
                                 
                                 
                                 
                                 
                                 
                                